Lead Based Anodes - Extruded, Baskets / Grids, Anode Hooks: |
|
|
|
|
|
|
Alloys: |
- Manufacturer of custom sacrificial anodes
- Alchemy utilizes only the finest primary materials in the manufacturing of its products.
- Find below a list of the raw metals that we alloy with to produce any configuration you require.
- Tin (Sn): Complies to ASTM B339 - Grade "A" Tin.
- Lead (Pb): Complies with ASTM B29 - Corroding Grade Lead.
- Antimony (Sb): Complies with ASTM B237 - Grade "B" Antimony.
- Cadmium (Cd): Complies to ASTM B440
- We also produce alloys with additions of Silver (Ag), Bismuth (Bi), and Aluminum (Al).
- We recycle used anodes from the chrome plating industry
|
| |
| Sample Picture |
Configuration Name |
Dimensions |
Metal |
 |
Grids |
1/4" x 12" x 24", 1/2" x 13" x 24-1/2" |
Tin Lead Tin/Lead Alloys |
| |
 |
Extruded and Punched |
ΒΌ” x 12” x 36” |
Tin/Lead Alloys |
|
| Custom Basket / Grid Anode - Sample Project Photos: |
|
| Standard Extruded Configurations: |
| Whether extruded or hand cast in our wide range of alloys and configurations, each of our anodes go through the same process to produce a fine grain structure essential for even plate-out and maximum throwing. |
|
|
|
|
| Sample Picture |
Configuration Name |
Dimensions |
Metal |
 |
ROUND |
1/8" - 4" Dia Various Lengths |
Tin Lead Tin/Lead Alloys |
 |
SQUARE |
1/8" x 1/8" - 3" x 3" Various Lengths |
Tin Lead Tin/Lead Alloys |
 |
RECTANGLE |
1/8" - 3" Max. Width = 5" Various Lengths |
Tin Lead Tin/Lead Alloys |
 |
"D" STYLE |
2" x 3" Various Lengths |
Tin Tin/Lead Alloys |
 |
OVAL |
2" x 3" Various Lengths |
Tin Tin/Lead Alloys |
 |
ELLIPTICAL |
2" x 3" Various Lengths |
Tin Tin/Lead Alloys |
 |
ROSETTE |
1-1/2" & 2" OD Various Lengths |
Tin Lead Tin/Lead Alloys |
 |
12 STAR |
2" ID, 3" OD Various Lengths |
Tin Lead Tin/Lead Alloys |
 |
SAWTOOTH |
1-1/4" x 4" Various Lengths |
Lead Tin/Lead Alloys |
 |
RIBBED |
3/4" x 3" Various Lengths |
Lead Tin/Lead Alloys |
 |
ZIGZAG |
3/16" x 3" with 7/16" Centre Various Lengths |
Lead Tin/Lead Alloys |
- We also produce Lead anodes with cores such as copper, mild steel to name a few.
- All our Lead Alloyed Anodes are available with either Cast Bronze or Copper Hooks, which are cast into nobbins and lead burned onto the anode stock. (All nobbin & burning bar used in homogenous bonding are of the same alloy as the anode stock).
- Tin & Tin/Lead (Solder) Anodes are supplied drilled with a 3/8" Diameter hole and tapped (16 thread) to 1-1/4" Deep.
|
|
| Lead Based Extruded Anodes - Sample Project Photos: |
|
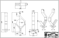
- This is a list of our most common bronze hooks. Copper hooks are available upon request.
- All hooks can be Plastisol covered or Lead covered, just let us know in advance.
- Hooks come standard as "C" Bronze
|
| Sample Picture |
Hook Number
& Style |
Dimensions |
Max Buss
Bar Size |
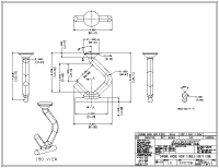
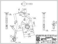
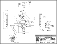
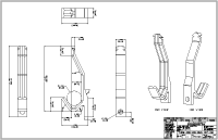
Technical Drawing |
 |
 |
#1 Single
Knife Edge |
From Top of Conductor Bar to Anode Shoulder: 3-1/2" Knife Edge: 1/2" Thick |
1.5" Square
2.0" Dia. Round |

See Tech Drawing |
|
 |
 |
#2 Single
Knife Edge |
From Top of Conductor Bar to Anode Shoulder: 3-1/2" Knife Edge: 5/8" Thick |
1.5" Square
2.0" Dia. Round |

See Tech Drawing |
|
 |
 |
#3 Single
Knife Edge |
From Top of Conductor Bar to Anode Shoulder: 3-1/2" Knife Edge: 3/4" Thick |
1.5" Square
2.0" Dia. Round |

See Tech Drawing |
|
 |
 |
#7 Double
Knife Edge |
From Top of Conductor Bar to Anode Shoulder: 3-1/2" Knife Edge: 5/8" Thick |
1.5" Square
1.75" Dia. Round |

See Tech Drawing |
|
 |
 |
#8 Double
Knife Edge |
From Top of Conductor Bar to Anode Shoulder: 4-1/2" Knife Edge: 5/8" Thick |
2.0" Square
2.5" Dia. Round |

See Tech Drawing |
|
 |
 |
#9 Double
Knife Edge |
From Top of Conductor Bar to Anode Shoulder: 8-1/2" Knife Edge: 1/2" Thick |
2.0" Square
2.5" Dia. Round |

See Tech Drawing |
|
 |
 |
#10 Double
Knife Edge |
From Top of Conductor Bar to Anode Shoulder: 9-1/2" Knife Edge: 1/2" Thick
|
4.0" Square
4.0" Dia. Round |

See Tech Drawing |
|
 |
 |
#10 Heavy Amperage |
From Top of Conductor Bar to Anode Shoulder: 9-1/2" Knife Edge: 1" Thick |
1.5" Square
2.0" Dia. Round |

See Tech Drawing |
|
| Available Plastisol Colors: |
|
| BLACK |
BLUE |
LEMON YELLOW |
NEON GREEN |
| SCARLET RED |
PURPLE |
ORANGE |
DARK GREEN |
|